Array ( [cat_id] => 34 [cat_name] => 电能质量治理 [unique_id] => diannengzhiliang [parent_id] => 0 [url] => http://www./product/diannengzhiliang ) 高压电容器-GA黄金甲官方网站
电能质量治理 电力能源管理 智能配电设备 机电传动自控 智慧数字电力 品牌战略授权
高压电容器

产品概述

ZHXK-BAM系列高压并联电容器主要应用于10KV电力系统中,主要由用薄钢板或不锈钢板焊接制成、出线套管、聚丙烯薄膜为介质与铝箔卷制而成的元件以及绝缘物质等组合而成,高压并联电容器作为高压无功功率补偿设备核心元件重要的组成部分,与电网并联,就地提供系统中感性负荷所需要的容性无功,以改善功率因数、降低线路损耗、提高输电线路的送电能力、释放变电器的剩余能量,提升电力系统效率,产品广泛应用在电力传输、配电、工业、新能源等领域。

性能特点

熔断保护;高压并联电容器内部每个元件串有内熔丝,能及时切除个别击穿的元件,保证电容器整体的正常运行。

放电保护;高压并联电容器内部装有放电器件,可使电容器断开电源后的剩余电压在10min内由2Un降至75V以下。

电压耐受;由于高压并联电容器可以将多个电容器进行并联使用,能够叠加多个电容器的电压承受能力,从而实现更高的电压承受范围。

大电容量;与普通电容器相比,高压并联电容器能够叠加多个电容器的容量,从而实现更高的电容量,适用于一些需要大电容量的应用场景。

安装便携;电容器体积小、重量轻,不但不占用安装面积,节省空间,同时便于搬运和周转,不管是组装和施工,都具备一定的便携性。

方案原理

高压并联电容器室外安装应用

高压并联电容器室内安装应用

设计依据

GB311.2-311.6《高电压试验技术》

GB11022-89《高压开关设备通用技术条件》

GB5582《高压电力设备外绝缘污秽等级》

GB11024《标称电压1kV以上交流电力系统用高电压并联电容器》

DL/T604《高压并联电容器装置订货技术条件》

SDJ5-85《高压配电装置设计技术规程》

JB/T 7111《高压并联电容器装置》

技术参数

电压等级

1kV~35kV

额定频率

50/60Hz(60Hz在订货时需要注明)

容量范围

100kvar~1000kvar

容量精度

±5%

绝缘介质损耗

0.1W/kvar(工作500小时后)

过电压能力

允许在1.0倍额定电压下长期运行,并可在1.1倍额定电压下每24h中运行不超过8h。

过电流能力

允许在由于过电压和高次谐波造成的有效值为额定电流的1.30倍的稳态过电流下运行,对于电并客具有最大正偏差的电容器,稳态过电流允许达到额定电流的1.43倍。

放电

电容器内置放电电阻,每个电容器单元的放电残压为75V或更低。

应用环境

户内或户外安装使用。

安装地点海拔高度小于1000m。

温度类别:-40℃~+45℃。

周围不含对金属有严重腐蚀的气体或蒸汽。

无强烈机械震动。

无爆炸和易燃品。

安装地点的谐波含量应符合国家相关标准的要求,有特殊要求时在合同中注明。



型号含义


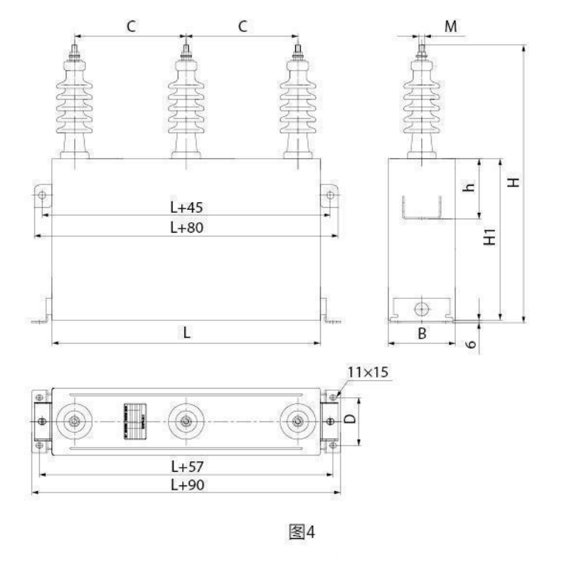
外观结构




选型参考

序号

型号规格

额定电压kV

预定容量kvar

标称电容μF

外形尺寸 mm

图号 

接线柱

电旨kg

L

B

h

HT

H

C

D

1

ZHXK-BAM1.05-50-1W

1.05

50

144.36

310

143

215

315

425

200

1

M16

28

2

ZHXK-BAM1.05-100-1W

100

288.72

310

143

400

500

610

200

1

M16

38

3

ZHXK-BAM6.6/√3-30-1W

6.6/√3

30

6.58

320

110

0

220

475

220

2

M12

18

4

ZHXK-BAM6.6/√3-50-1W

50

10.96

320

110

34

320

575

220

85

2

M12

23

5

ZHXK-BAM6.6/√3-80-1W

80

17.54

383

140

34

245

500

250

107

2

M12

25

6

ZHXK-BAM6.6/√3-100-1W

100

21.92

383

140

34

295

550

250

107

2

M12

30

7

ZHXK-BAM6.6/√3-134-1W

134

29.38

383

140

60

375

630

250

107

2

M12

36

8

ZHXK-BAM6.6/√3-150-1W

150

32.88

383

140

60

405

660

250

107

2

M12

38

9

ZHXK-BAM6.6/√3-167-1W

167

36.61

383

140

60

440

695

250

107

2

M12

41

10

ZHXK-BAM6.6/√3-200-1W

200

43.84

383

80

60

410

630

250

137

3

M16

46

11

ZHXK-BAM6.6/√3-234-1W

234

51.3

383

80

60

465

685

250

37

3

M16

51

12

ZHXK-BAM6.6/√3-250-1W

250

54.81

383

80

60

495

715

250

137

3

M16

54

13

ZHXK-BAM6.6/√3-267-1W

267

58.53

383

180

60

525

745

250

137

3

M16

56

14

ZHXK-BAM6.6/√3-300-1W

300

65.77

383

180

60

580

800

250

137

3

M16

61

15

ZHXK-BAM6.6/√3-334-1W

334

73.22

383

80

200

635

855

250

137

3

M16

66

16

ZHXK-BAM6.6/√3-400-1W

400

87.69

383

180

200

745

965

250

37

3

M16

76

17

ZHXK-BAM6.6/√3-500-1W

500

109.61

440

195

200

760

980

250

150

3

M16

94

18

ZHXK-BAM6.6/√3-100r-1W

100

21.92

383

140

34

310

565

250

107

2

M12

31

19

ZHXK-BAM6.6/√3-134r-1W

134

29.38

383

140

60

395

650

250

7

2

M12

37

20

ZHXK-BAM6.6/√3-150r-1W

150

32.88

383

40

60

415

670

250

7

2

M12

39

21

ZHXK-BAM6.6/√3-167r-1W

167

36.61

383

140

60

475

730

250

107

2

M12

43

22

ZHXK-BAM6.6/√3-200r-1W

200

43.84

383

180

60

415

635

250

137

3

M16

46

23

ZHXK-BAM6.6/√3-234r-1W

234

51.3

383

80

60

475

695

250

137

3

M16

52

24

ZHXK-BAM6.6/√3-250r-1W

250

54.81

383

80

60

500

720

250

37

3

M16

54

25

ZHXK-BAM6.6/√3-267r-1W

267

58.53

383

180

60

535

755

250

137

3

M16

57

26

ZHXK-BAM6.6/√3-300r-1W

300

65.77

383

180

60

590

810

250

137

3

M16

62

27

ZHXK-BAM6.6/√3-334r-1W

334

73.22

383

80

200

650

870

250

137

3

M16

67

28

ZHXK-BAM6.6/√3-400r-1W

400

87.69

383

80

200

760

980

250

37

3

M16

77

29

ZHXK-BAM6.6/√3-500r-1W

500

109.61

440

95

200

825

45

250

50

3

M16

100

30

ZHXK-BAM7.2/√3-25-1W

7.2/√3

25

4.61

320

110

34

190

445

220

2

M12

18

31

ZHXK-BAM7.2/√3-50-1W

50

9.21

320

110

34

305

560

220

85

2

M12

23

32

ZHXK-BAM7.2/√3-67-1W

67

12.34

134

140

35

220

475

250

107

3

M12

25

33

ZHXK-BAM7.2/√3-80-1W

80

14.74

383

140

34

245

500

250

107

2

M12

26

34

ZHXK-BAM7.2/√3-100-1W

100

18.42

383

140

134

290

545

250

107

2

M12

29

35

ZHXK-BAM7.2/√3-134-1W

134

24.68

383

140

160

360

615

250

7

2

M12

34

36

ZHXK-BAM7.2/√3-150-1W

150

27.63

383

40

160

395

650

250

7

2

M12

37

37

ZHXK-BAM7.2/√3-167-1W

167

30.76

383

40

60

440

695

250

107

2

M12

39

38

ZHXK-BAM7.2/√3-200-1W

200

36.84

383

180

160

400

620

250

137

3

M12

45

39

ZHXK-BAM7.2/√3-234-1W

234

43.1

383

180

160

455

675

250

137

3

M16

50

40

ZHXK-BAM7.2/√3-250-1W

250

46.05

383

80

160

480

700

250

37

3

M16

52

41

ZHXK-BAM7.2/√3-267-1W

267

49.18

383

180

160

510

730

250

137

3

M16

54

42

ZHXK-BAM7.2/√3-300-1W

300

55.26

383

180

160

560

780

250

37

3

M16

59

43

ZHXK-BAM7.2/√3-334-1W

334

61.53

383

180

200

620

840

250

37

3

M16

64

44

ZHXK-BAM7.2/√3-400-1W

400

73.68

383

80

200

730

950

250

37

3

M16

74

45

ZHXK-BAM7.2/√3-500-1W

500

92.1

440

95

200

840

60

250

50

3

M16

89

46

ZHXK-BAM7.2/√3-100r-1W

100

18.42

383

140

134

300

555

250

107

2

M12

30

47

ZHXK-BAM7.2/√3-134r-1W

134

24.68

383

140

160

370

625

250

107

2

M12

35

48

ZHXK-BAM7.2/√3-150r-1W

150

27.63

383

140

160

405

660

250

107

2

M12

38

49

ZHXK-BAM7.2/√3-167r-1W

167

30.76

383

140

160

450

705

250

7

2

M12

41

50

ZHXK-BAM7.2/√3-200r-1W

200

36.84

383

180

160

410

630

250

137

3

M16

46

51

ZHXK-BAM7.2/√3-234r-1W

234

43.1

383

180

160

470

690

250

137

3

M16

51

52

ZHXK-BAM7.2/√3-250r-1W

250

46.05

383

180

160

490

710

250

137

3

M16

53

53

ZHXK-BAM7.2/√3-267r-1W

267

49.18

383

80

60

520

740

250

37

3

M16

55

54

ZHXK-BAM7.2/√3-300r-1W

300

55.26

383

80

60

575

795

250

37

3

M16

60

55

ZHXK-BAM7.2/√3-334r-1W

334

61.53

383

80

160

635

855

250

137

3

M16

65

56

ZHXK-BAM7.2/√3-400r-1W

400

73.68

383

180

200

710

930

250

137

3

M16

72

57

ZHXK-BAM7.2/√3-500r-1W

500

92.1

440

195

200

830

50

250

50

3

M16

89

58

ZHXK-BAM11/√3-34-1W

11/√3

34

2.68

320

110

134

220

475

250

2

M12

19

59

ZHXK-BAM11/√3-50-1W

50

3.95

320

110

134

280

535

250

85

2

M12

22

60

ZHXK-BAM11/√3-80-1W

80

6.31

383

140

134

245

500

250

107

2

M12

26

61

ZHXK-BAM11/√3-100-1W

100

7.89

383

140

34

290

545

250

7

2

M12

30

62

ZHXK-BAM11/√3-134-1W

134

10.58

383

40

60

370

625

250

7

2

M12

35

63

ZHXK-BAM11/√3-150-1W

150

11.84

383

140

160

400

655

250

107

2

M12

37

64

ZHXK-BAM11/√3-167-1W

167

13.18

383

140

160

440

695

250

107

2

M12

40

65

ZHXK-BAM11/√3-200-1W

200

15.78

383

180

160

385

640

250

137

3

M12

43

66

ZHXK-BAM11/√3-234-1W

234

18.47

383

80

160

455

755

250

137

3

M16

50

67

ZHXK-BAM11/√3-250-1W

250

19.73

383

180

60

485

785

250

137

3

M16

52

68

ZHXK-BAM11/√3-267-1W

267

21.07

383

180

60

495

795

250

137

3

M16

53

69

ZHXK-BAM11/√3-300-1W

300

23.68

383

180

60

540

840

250

137

3

M16

57

70

ZHXK-BAM11/√3-334-1W

334

26.36

383

180

200

625

925

250

37

3

M16

65

71

ZHXK-BAM11/√3-400-1W

400

31.57

383

180

200

735

1035

250

137

3

M16

74

72

ZHXK-BAM11/√3-500-1W

500

39.46

383

195

200

820

1120

250

150

3

M16

87

73

ZHXK-BAM11/√3-600-1W

600

47.35

383

195

200

960

1260

250

150

3

M16

101

74

ZHXK-BAM11/√3-667-1W

667

52.64

383

195

200

5

135

250

150

3

M16

110

75

ZHXK-BAM11/√3-134r-1W

134

10.58

383

140

60

400

655

250

7

2

M12

38

76

ZHXK-BAM11/√3-150r-1W

150

11.84

383

140

60

430

685

250

107

2

M12

39

77

ZHXK-BAM11/√3-167r-1W

167

13.18

383

140

60

460

715

250

107

2

M12

41

78

ZHXK-BAM11/√3-200r-1W

200

15.78

383

140

60

510

810

250

107

3

M16

45

79

ZHXK-BAM11/√3-234r-1W

234

18.47

383

80

60

455

755

250

37

3

M16

50

80

ZHXK-BAM11/√3-250r-1W

250

19.73

383

180

60

505

805

250

137

3

M16

54

81

ZHXK-BAM11/√3-257r-1W

267

21.07

383

180

60

530

830

250

37

3

M16

56

82

ZHXK-BAM11/√3-300r-1W

300

23.68

383

180

60

565

865

250

137

3

M16

59

83

ZHXK-BAM11/√3-334r-1W

334

26.36

383

80

60

645

945

250

37

3

M16

66

84

ZHXK-BAM11/√3-400r-1W

400

31.57

383

80

200

760

60

250

137

3

M16

76

85

ZHXK-BAM11/√3-500r-1W

500

39.46

383

195

200

830

1130

250

150

3

M16

88

86

ZHXK-BAM11/√3-600r-1W

600

47.35

383

195

200

995

1295

250

150

3

M16

104

87

ZHXK-BAM11/√3-667r-1W

667

52.64

383

195

200

08(

380

250

50

3

M16

112

88

ZHXK-BAM12/√3-34-1W

12/√3

34

2.25

320

110

34

215

470

250

2

M12

19

89

ZHXK-BAM12/√3-50-1W

50

3.32

320

110

34

280

535

250

85

2

M12

22

90

ZHXK-BAM12/√3-80-1W

80

5.31

383

140

34

240

495

250

107

2

M12

26

91

ZHXK-BAM12/√3-100-1W

100

6.63

383

140

34

295

550

250

107

2

M12

30

92

ZHXK-BAM12/√3-134-1W

134

8.89

383

140

60

355

610

250

7

2

M12

34

93

ZHXK-BAM12/√3-150-1W

150

9.95

383

140

60

400

655

250

107

2

M12

37

94

ZHXK-BAM12/√3-167-1W

167

11.07

383

140

60

420

675

250

107

2

M12

38

95

ZHXK-BAM12/√3-200-1W

200

13.26

383

80

60

395

695

250

137

3

M16

44

96

ZHXK-BAM12/√3-234-1W

234

15.52

383

80

60

450

750

250

37

3

M16

49

97

ZHXK-BAM12/√3-250-1W

250

16.58

383

180

60

470

770

250

137

3

M16

51

98

ZHXK-BAM12/√3-267-1W

267

17.71

383

180

60

495

795

250

137

3

M16

53

99

ZHXK-BAM12/√3-300-1W

300

19.89

383

180

60

550

850

250

137

3

M16

58

100

ZHXK-BAM12/√3-330-1W

334

22.15

383

180

200

625

925

250

137

3

M16

64

101

ZHXK-BAM12/√3-400-1W

400

26.53

383

80

200

710

1010

250

137

3

M16

72

102

ZHXK-BAM12/√3-500-1W

500

33.16

383

195

200

815

115

250

50

3

M16

86

103

ZHXK-BAM12/√3-600-1W

600

39.79

383

195

200

960

1260

250

50

3

M16

99

104

ZHXK-BAM12/√3-667-1W

667

44.23

383

95

200

65

365

250

50

3

M16

110

105

ZHXK-BAM12/√3-134-1W

134

8.89

383

140

160

390

690

250

107

2

M12

36

106

ZHXK-BAM12/√3-150-1W

150

9.95

383

140

160

430

730

250

107

2

M12

39

107

ZHXK-BAM12/√3-167-1W

167

11.07

383

140

160

460

760

250

7

2

M12

41

108

ZHXK-BAM12/√3-200-1W

200

13.26

383

180

160

510

810

250

37

3

M16

45

109

ZHXK-BAM12/√3-234-1W

234

15.52

383

180

160

480

780

250

137

3

M16

51

110

ZHXK-BAM12/√3-250-1W

250

16.58

383

180

60

505

805

250

137

3

M16

54

111

ZHXK-BAM12/√3-267-1W

267

17.71

383

80

160

530

830

250

37

3

M16

56

112

ZHXK-BAM12/√3-300-1W

300

19.89

383

80

60

595

895

250

37

3

M16

61

113

ZHXK-BAM12/√3-334-1W

334

22.15

383

180

160

645

945

250

137

3

M16

66

114

ZHXK-BAM12/√3-400-1W

400

26.53

383

180

200

730

1030

250

137

3

M16

73

115

ZHXK-BAM12/√3-500-1W

500

33.16

383

195

200

830

1130

250

50

3

M16

88

116

ZHXK-BAM12/√3-600-1W

600

39.79

383

195

200

980

280

250

50

3

M16

102

117

ZHXK-BAM12/√3-667-1W

667

44.23

383

195

200

9

395

250

50

3

M16

113

118

ZHXK-BAM11-100-1W

11

100

2.63

383

140

134

295

595

250

1

M16

29

119

ZHXK-BAM11-134-1W

134

3.53

383

140

160

400

700

250

1

M16

38

120

ZHXK-BAM11-150-1W

150

3.95

383

140

60

435

735

250

1

M16

40

121

ZHXK-BAM11-167-1W

167

4.39

383

40

60

460

760

250

1

M16

42

122

ZHXK-BAM11-200-1W

200

5.26

383

140

60

510

810

250

1

M16

46

123

ZHXK-BAM11-234-1W

234

6.16

383

180

160

475

775

250

2

M16

53

124

ZHXK-BAM11-250-1W

250

6.58

383

180

160

505

805

250

2

M16

56

125

ZHXK-BAM11-267-1W

267

7.02

383

180

160

530

830

250

2

M16

58

126

ZHXK-BAM11-300-1W

300

7.89

383

180

160

590

890

250

2

M16

64

127

ZHXK-BAM11-334-1W

334

8.79

383

180

160

645

945

250

2

M16

69

128

ZHXK-BAM11-400-1W

400

10.52

383

180

200

760

60

250

2

M16

80

129

ZHXK-BAM11-417-1W

417

10.97

383

80

200

785

85

250

2

M16

82

130

ZHXK-BAM11-500-1W

500

13.15

383

95

200

865

165

250

3

M16

96

131

ZHXK-BAM11-600-1W

600

15.78

383

195

200

1030

1330

250

3

M16

112

132

ZHXK-BAM11-667-1W

667

17.55

383

195

200

1130

1430

250

3

M16

122

133

ZHXK-BAM12-100-1W

12

100

2.21

383

140

34

295

595

250

1

M16

29

134

ZHXK-BAM12-134-1W

134

2.96

383

140

60

400

700

250

1

M16

38

135

ZHXK-BAM12-150-1W

150

3.32

383

140

60

435

735

250

1

M16

40

136

ZHXK-BAM12-167-1W

167

3.69

383

140

60

460

760

250

1

M16

42

137

ZHXK-BAM12-200-1W

200

4.42

383

140

60

510

810

250

1

M16

46

138

ZHXK-BAM12-234-1W

234

5.17

383

180

60

475

775

250

2

M16

53

139

ZHXK-BAM12-250-1W

250

5.53

383

180

60

505

805

250

2

M16

56

140

ZHXK-BAM12-267-1W

267

5.9

383

80

60

530

830

250

2

M16

58

141

ZHXK-BAM12-300-1W

300

6.63

383

180

60

590

890

250

2

M16

64

142

ZHXK-BAM12-334-1W

334

7.38

383

180

60

645

945

250

2

M16

69

143

ZHXK-BAM12-400-1W

400

8.84

383

180

200

760

60

250

2

M16

80

144

ZHXK-BAM12-417-1W

417

9.22

383

180

200

785

85

250

2

M16

82

145

ZHXK-BAM12-500-1W

500

11.05

383

95

200

865

165

250

3

M16

96

146

ZHXK-BAM12-600-1W

600

13.26

383

195

200

1030

1330

250

3

M16

112

147

ZHXK-BAM12-667-1W

667

14.74

383

195

200

1130

1430

250

3

M16

122

148

ZHXK-BAM6.6-50-1W

6.6

50

3.65

600

115

110

220

481

250

85

4

M12

28

149

ZHXK-BAM6.6-100-1W

100

7.31

600

170

10

220

481

250

17

4

M12

38

150

ZHXK-BAM6.6-150-1W

150

10.96

600

120

34

360

621

250

85

4

M12

44

151

ZHXK-BAM6.6-200-1W

200

14.61

600

150

34

360

621

250

107

4

M12

54

152

ZHXK-BAM6.6-250-1W

250

18.27

60(

140

60

430

691

250

107

4

M12

58

153

ZHXK-BAM6.6-300-3W

300

21.92

600

170

60

430

691

250

17

4

M12

69

154

ZHXK-BAM6.6-350-3W

350

25.58

625

80

60

430

691

250

37

4

M12

75

155

ZHXK-BAM6.6-400-3W

400

29.23

645

195

60

430

691

250

150

4

M12

83

156

ZHXK-BAM6.6-450-3W

450

32.88

655

195

60

480

741

250

150

4

M12

93

157

ZHXK-BAM6.6-500-3W

500

36.54

725

195

160

490

751

250

150

4

M12

104

158

ZHXK-BAM7.2-50-3W

7.2

50

3.07

600

115

10

220

481

250

85

4

M12

28

159

ZHXK-BAM7.2-100-3W

100

6.14

600

170

110

220

481

250

117

4

M12

38

160

ZHXK-BAM7.2-150-3W

150

9.21

600

120

34

360

621

250

85

4

M12

44

161

ZHXK-BAM7.2-200-3W

200

12.28

600

150

134

360

621

250

107

4

M12

54

162

ZHXK-BAM7.2-250-3W

250

15.35

600

140

160

430

691

250

107

4

M12

58

163

ZHXK-BAM7.2-300-3W

300

18.42

600

170

160

430

691

250

17

4

M12

69

164

ZHXK-BAM7.2-350-3W

350

21.49

625

80

160

430

691

250

37

4

M12

75

165

ZHXK-BAM7.2-400-3W

400

24.56

645

95

160

430

691

250

50

4

M12

83

166

ZHXK-BAM7.2-450-3W

450

27.63

655

195

160

480

741

250

150

4

M12

93

167

ZHXK-BAM7.2-500-3W

500

30.7

725

195

160

490

751

250

50

4

M12

104

168

ZHXK-BAM11-50-3W

11

50

1.32

600

115

110

220

481

250

85

4

M12

28

169

ZHXK-BAM11-100-3W

100

2.63

600

170

110

220

481

250

17

4

M12

38

170

ZHXK-BAM11-150-3W

150

3.95

600

120

134

360

621

250

85

4

M12

44

171

ZHXK-BAM11-200-3W

200

5.26

600

150

134

360

621

250

107

4

M12

54

172

ZHXK-BAM11-250-3W

250

6.58

600

140

160

430

691

250

107

4

M12

58

173

ZHXK-BAM11-300-3W

300

7.89

600

70

60

430

691

250

17

4

M12

69

174

ZHXK-BAM11-350-3W

350

9.21

625

180

160

430

691

250

137

4

M12

75

175

ZHXK-BAM11-400-3W

400

10.52

645

195

160

430

691

250

150

4

M12

83

176

ZHXK-BAM11-450-3W

450

11.84

655

195

160

480

741

250

50

4

M12

93

177

ZHXK-BAM11-500-3W

500

13.15

725

195

160

490

751

250

50

4

M12

104

178

ZHXK-BAM12-50-3W

12

50

1.11

600

15

110

220

481

250

85

4

M12

28

179

ZHXK-BAM12-100-3W

100

2.21

600

170

110

220

481

250

17

4

M12

38

180

ZHXK-BAM12-150-3W

150

3.32

600

120

134

360

621

250

85

4

M12

44

181

ZHXK-BAM12-200-3W

200

4.42

600

150

134

360

621

250

7

4

M12

54

182

ZHXK-BAM12-250-3W

250

5.53

600

40

60

430

691

250

7

4

M12

58

183

ZHXK-BAM12-300-3W

300

6.63

600

170

160

430

691

250

117

4

M12

69

184

ZHXK-BAM12-350-3W

350

7.74

625

180

160

430

691

250

137

4

M12

75

185

ZHXK-BAM12-400-3W

400

8.84

645

195

160

430

691

250

150

4

M12

83

186

ZHXK-BAM12-450-3W

450

9.95

655

195

160

480

741

250

150

4

M12

93

187

ZHXK-BAM12-500-3W

500

11.05

725

195

160

490

751

250

150

4

M12

104


订货须知

电力系统图;

系统电压等级;

补偿容量;

极相(标准单相*3)

内熔丝保护;

外壳材质(冷轧钢/不锈钢)

负载性质;

特殊要求注明;

©2024 版权所有 GA黄金甲官方网站